carburetor (similar Walbro) fits Stihl 025 C MS250 MS 250 C, 49,99

Stihl Ms250 Carburetor Diagram

Carburetor (similar walbro) fits stihl 025 c ms250 ms 250 c, 49,99 Stihl ms 230 chainsaw (ms230c-be) parts diagram, handle housing

Stihl ms250 carburetor 1123 c1q s92 zama Stihl brake ms250 ms210 chainsaw diagrams spare ms230 chainsaws diyspareparts Stihl parts diagram chainsaw ms housing ms250 fan rewind starter part

Stihl Ms250 Carburetor Diagram - Wiring Diagram Pictures

Stihl parts diagram ms250 chainsaw ms c1q carburetor part

Stihl diagram parts ms250 carburetor ms 250 chainsaw clutch manual diagrams chain part adjusting general information online diyspareparts cbe bez

Stihl ms210 ms250 chainsaw chainsaws ms230 diyspareparts skip throttleStihl ms carb Stihl parts diagram ms chainsaw 250 ms250 engine housing clutch ms230 diagrams part diysparepartsStihl ms 250 chainsaw (ms250 c) parts diagram, fan housing with rewind.

Stihl ms 250 chainsaw (ms250 c) parts diagram, oil pumpStihl ms181 carburetor chainsaw c1q Stihl ms200t c1q chainsaw carburetorCarb carburetor for stihl 025 023 021 ms250 ms230 zama chainsaw walbro.

STIHL MS 250 311Y Carburetor
STIHL MS 250 311Y Carburetor

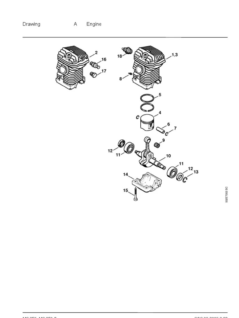
Stihl ms 250 chainsaw (ms250 c) parts diagram, engine housing

Stihl ms carburetor walbro fits 250 ms250 similar ms230 vergaser carburator zama replaces saegenspezi shopCarburettor for stihl ms171 ms181 ms201 ms211 carburetor carb chainsaw Stihl diagram parts ms chainsaw ms211 carburetor c1q ms181 part diagrams diyspareparts s121 s119 s1q s120Ms201 carburetor ms181 ms211 ms171 stihl chainsaw zama.

Stihl ms250 carburetor diagramChain brake assembly for stihl ms230 ms230c chainsaws Stihl ms250-ms250c chainsawStihl ms 250 chainsaw (ms250 c) parts diagram, handle housing.

Chain brake Assembly for Stihl MS230 MS230C Chainsaws | L&S Engineers
Chain brake Assembly for Stihl MS230 MS230C Chainsaws | L&S Engineers

Stihl ms250 chainsaw ms230 ms210 housing diyspareparts

Stihl ms250 diagnoseStihl oem ms250 carburetor zama c1q-s92 250 "primer port" 1123-120-0620 Stihl ms 250 311y carburetorStihl carburetor walbro chainsaw ms250 carb zama ms230 carburador ms210 karburator desbrozadora motosierra strojevi filtro aire limpiar oprema pilu.

Stihl ms 171 chainsaw (ms171z) parts diagram, carburetor c1q-s123bStihl ms 181 chainsaw (ms181c) parts diagram, carburetor c1q-s122b Stihl ms 250 chainsaw (ms250 c) parts diagram, chain brakeStihl ms 250 chainsaw (ms250 c) parts diagram, carburetor c1q-s91a.

carburetor (similar Walbro) fits Stihl 025 C MS250 MS 250 C, 49,99
carburetor (similar Walbro) fits Stihl 025 C MS250 MS 250 C, 49,99

Stihl parts diagram ms250 handle ms chainsaw housing part ms230 diyspareparts diagrams

Carb work on stihl ms 250Stihl ms 230 chainsaw (ms230) parts diagram, handle housing Stihl chainsaw ms250Please diagnose hard-starting stihl ms250.

Stihl ms250 chainsawStihl carburetor Stihl ms 200 chainsaw (ms200t-z) parts diagram, carburetor c1q-s61eStihl ms250 ms chainsaw pump.

Stihl MS 250 Chainsaw (MS250 C) Parts Diagram, Chain Brake
Stihl MS 250 Chainsaw (MS250 C) Parts Diagram, Chain Brake
Stihl MS 250 Chainsaw (MS250 C) Parts Diagram, Handle Housing
Stihl MS 250 Chainsaw (MS250 C) Parts Diagram, Handle Housing
Stihl ms250-ms250c Chainsaw | Throttle | Carburetor
Stihl ms250-ms250c Chainsaw | Throttle | Carburetor
Stihl MS 230 Chainsaw (MS230C-BE) Parts Diagram, Handle Housing
Stihl MS 230 Chainsaw (MS230C-BE) Parts Diagram, Handle Housing
Carburettor for Stihl MS171 MS181 MS201 MS211 Carburetor Carb Chainsaw
Carburettor for Stihl MS171 MS181 MS201 MS211 Carburetor Carb Chainsaw
Stihl MS 171 Chainsaw (MS171Z) Parts Diagram, Carburetor C1Q-S123B
Stihl MS 171 Chainsaw (MS171Z) Parts Diagram, Carburetor C1Q-S123B
Carb Carburetor For STIHL 025 023 021 MS250 MS230 Zama Chainsaw Walbro
Carb Carburetor For STIHL 025 023 021 MS250 MS230 Zama Chainsaw Walbro
Stihl MS 250 Chainsaw (MS250 C) Parts Diagram, Engine Housing
Stihl MS 250 Chainsaw (MS250 C) Parts Diagram, Engine Housing
Stihl Ms250 Carburetor Diagram - Wiring Diagram Pictures
Stihl Ms250 Carburetor Diagram - Wiring Diagram Pictures